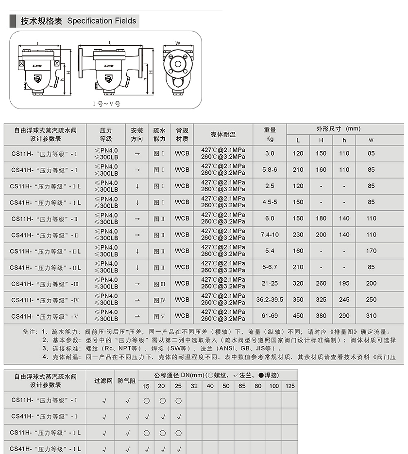
自由浮球式蒸汽疏水阀
产品分类
联系我们
-
联系:李先生
手机: 13821228989/13803090899
电话: 022-6931 8888
传真: 022-6951 6968
邮箱: chinayinqiu@163.com
网址:yinqiu.cn
地址: 天津市潘庄工业园区六经路1号









津公网安备 12011602001582号